CE marking
UK marking
CMim marking
Free of halogens
According to European Directive 2011/65/UE (RoHS)

Ref. R24

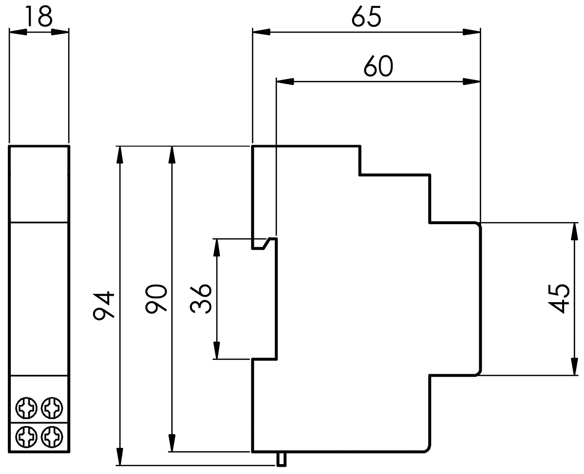
Time switch 24 h. Analogue.

The 24-hour analog time switch allows scheduling of installation on/off cycles. It operates at 230V~, fits one module and features ON-OFF-Timer function. It includes a 72-hour reserve and a 15-minute minimum time unit. It has a 1NO contact (16A). Common applications in indoor residential or tertiary environments such as homes, offices or shops.
Add to zip Added to zip
Add to my downloads
Added to my downloads
Add to zip Added to zip
Add to my downloads
Added to my downloads

Complementary products

Features

Common applications Indoor domestic / tertiary environment (Interior of home, offices, shops, etc.)
Modular device type Daily schedule programmer
No. of poles 1P + N
Modules (18 mm) 1
Network type Alternating current (ac)
Fixation 35mm DIN rail
Reservation 72 hours
Contacts 1NO
Minimum unit of time that measures 15 minutes
Nominal current 16A
Nominal voltage 230 Vca - (50/60 Hz)
sketch

Technical data and regulation

Technical data

Fire resistance (GWEPT) 960 ºC
Ambient operating temperature -10 ºC ; +50 ºC
Free of halogens Yes

Regulations

CE marking Yes
UK marking Yes
CMim marking Yes
According to Regulations UNE/EN UNE-EN 60730-2-7:2020
In accordance with the Low Voltage Electrotechnical Regulations (REBT) Yes
According to European Directive 2014/35 / EU. Low voltage directive Yes

Sustainability

According to European Directive 2011/65/UE (RoHS) Yes
According to European Directive 2012/19/UE (RAEE2) Yes
According to Regulations (RoHS) UNE-EN IEC 63000:2022

Logistics and packaging

Unit EAN code 8423220081215
EAN code container 8423220054028
EAN code packaging 18423220054025
Units packaging 12
Units carton 120
Pallet Units 6000
Packaging Measurements cm 10,5x7x2
Packaging Measures cm 42,5x36x23,5
Unit weight (g) 74
Container Weight (Kg) 0,913
Packaging Weight (Kg) 9,58
Tariff code 85362010